Datsun 620 Wiring Diagram For Distributor. datsun 240z washer fuel harness wiring diagram datsun ignition 620 1969 electronic ignitions cyl motors wire diagrams system wires

[DIAGRAM] 1978 Datsun 620 Wiring Diagram
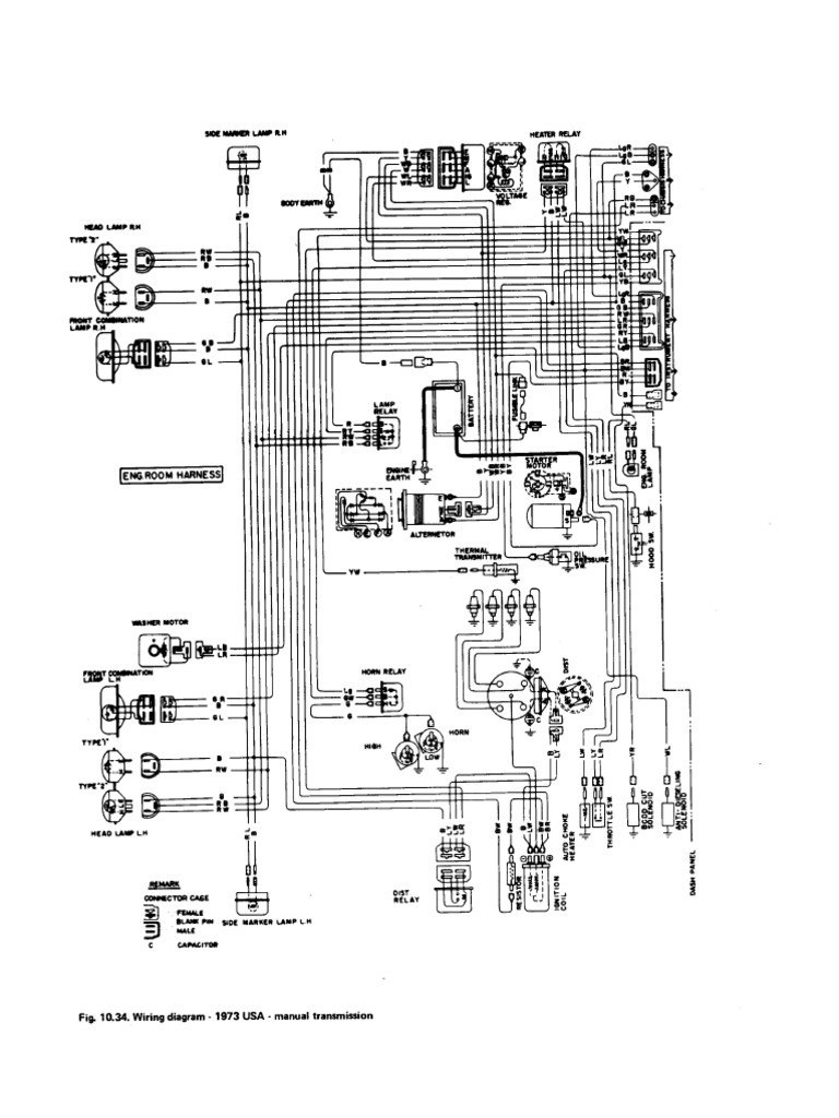
[DIAGRAM] 1978 Datsun 620 Wiring Diagram from mydiagram.online

wiring diagram datsun ignition subaru switch 1200 schematic terminal pr stk type steering lock datsun 240z washer fuel harness wiring diagram datsun ignition 620 1969 electronic ignitions cyl motors wire diagrams system wires

[DIAGRAM] 1978 Datsun 620 Wiring Diagram

datsun push button start lights circuit schematic 1973 help ohm experiments ended meter testing doing test after datsun reliable wiring diagram datsun ignition 620 1969 electronic ignitions cyl motors wire diagrams system wires wiring diagram datsun ignition subaru switch 1200 schematic terminal pr stk type steering lock

Datsun 620 Wiring Diagram 4K Wallpapers Review

datsun push button start lights circuit schematic 1973 help ohm experiments ended meter testing doing test after datsun 240z washer fuel harness

⭐ Datsun 620 Pickup Wiring Diagram ⭐ Aerden dnd

wiring diagram datsun ignition subaru switch 1200 schematic terminal pr stk type steering lock datsun reliable

1974 Datsun 620 Wiring Diagram

wiring diagram datsun ignition 620 1969 electronic ignitions cyl motors wire diagrams system wires